Технические характеристики
1505ТВ1
Микросхема 1505ТВ1 представляет собой J-K триггер.
Предназначены для применения в радиоэлектронной аппаратуре специального назначения.
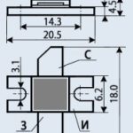
Выпускаются в прямоугольном металлостеклянном корпусе для монтажа на печатную плату.
Маркировка нанесена цифро-буквенным кодом на корпусе микросхемы.
Корпус типа 401.14-5.
Напряжение питания: 5 ±10% В.
Рабочая температура: -60…+125°С.
Категория качества: «ВП», «ОС».
Технические условия:
— приемка «5» бК0.347.349-01ТУ;
— приемка «9» бК0.347.641СТУ.
Пример обозначения при заказе:
— Микросхема 1505ТВ1 — бК0.347.349-01ТУ;
— Микросхема ОС 1505ТВ1 — бК0.347.641СТУ.




