Технические характеристики
1526ИП4
Цифровые микросхемы серии КМОП.
Микросхема 1526ИП4 представляет собой схему сквозного переноса.
Предназначена для применения в радиоэлектронной аппаратуре специального назначения.
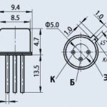
Выпускается в прямоугольном металлокерамическом корпусе с двусторонним расположением выводов.
Маркировка микросхемы и схема соединения электродов с выводами указывается на корпусе.
Корпус типа 402.16-33.
Напряжение питания: 4,5…11 В.
Рабочая температура: -60…+85 °С.
Зарубежный аналог: CD4582AK.
Категория качества:
— приемка «ВП» бК0.347.458-05ТУ;
— приемка «ОСМ» бК0.347.458-05ТУ, П0.070.052;
— приемка «ОС» бК0.347.637-05СТУ.
Надежность микросхем 1526ИП4:
Минимальная наработка в режимах и условиях эксплуатации допускаемых ТУ, не менее:
— 100000 часов в режимах и условиях, допускаемых ТУ;
— 120000 часов в облегченном режиме.
Гарантийная наработка исчисляется в пределах гарантийного срока хранения.
Минимальный срок сохраняемости микросхем при хранении:
— в отапливаемом хранилище или в хранилище с регулируемыми влажностью и температурой или местах хранения микросхем, вмонтированных в защищенную аппаратуру, или находящихся в защищенном комплекте ЗИП — 25 лет;
— в неотапливаемом хранилище — 16,5 лет;
— под навесом и на открытой площадке, вмонтированными в аппаратуру (в составе незащищенного объекта), или в комплекте ЗИП — 12,5 лет.




