Технические характеристики
ППБ-3В 3вт 47
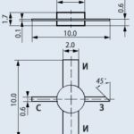
Резисторы ППБ-3В переменные проволочные бескаркасные подстроечные для навесного монтажа.
Одинарные, однооборотные с круговым перемещением подвижной системы и вариантом исполнения вала типа «В».
Предназначены для работы в электрических цепях постоянного и переменного токов частотой до 1000 Гц.
Промежуточные значения номинальных сопротивлений соответствуют ряду Е6 с допусками ±5; ±10 %.
Функциональная характеристика — линейная А.
Климатическое исполнение УХЛ.
Технические условия:
— приемка «ОТК» ОЖ0.468.555 ТУ;
— приемка «ПЗ» ОЖ0.468.512 ТУ.
Основные технические параметры резисторов ППБ-3В:
— Диапазон номинальных сопротивлений …….. 4,7 Ом… 22 кОм;
— Номинальная мощность …….. 3 Вт;
— Предельное рабочее напряжение …….. 400 В;
— Минимальное сопротивление, не более …….. 0,2 Ом;
— Отклонение от функциональной характеристики …….. ±5 %;
— Допускаемые отклонения сопротивлений …….. ±5; ±10 %;
— Относительная влажность воздуха при температуре +35 °C …….. 98 %;
— Температура окружающей среды …….. -60… +155 °С;
— Минимальная наработка, не менее …….. 20000 часов;
— Срок сохраняемости, не менее …….. 15 лет;
— Масса резистора, не более …… 40,0 г.
Основные технические характеристики регулировочных резисторов ППБ-3:
|
Тип резистора |
Номинальная мощность |
Диапазон номинальных сопротивлений |
Допускаемые отклонения |
Предельное рабочее напряжение |
Сопротивление изоляции |
Температурный коэффициент сопротивления |
Износоустойчивость циклов |
Температура окружающей среды |
|---|---|---|---|---|---|---|---|---|
| Вт | Ом | % | В | МОм | ТКС×10-6 1/°С | не менее | °С | |
| ППБ-3А | 3 Вт | 4,7 Ом — 22 кОм | ±5; ±10 | 400 | > 1000 | ±500 | 5000 | -60… +155 |
| ППБ-3Б | 3 Вт | 4,7 Ом — 22 кОм | ±5; ±10 | 400 | > 1000 | ±500 | 1000 | -60… +155 |
| ППБ-3В | 3 Вт | 4,7 Ом — 22 кОм | ±5; ±10 | 400 | > 1000 | ±500 | 1000 | -60… +155 |




