Технические характеристики
5578РС015
Интегральная микросхема 5578РС015 представляет собой ПЗУ с многократным электрическим программированием для конфигурирования ПЛИС.
Прямые отечественные и зарубежные аналоги отсутствуют, ПЗУ предназначена для замены микросхемы EPC2 фирмы Altera.
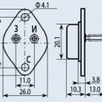
Тип корпуса: Н09.28-1В.
Категория качества: «ВП».
Технические условия:
  — приемка «5» — АЕНВ.431210.080ТУ.

 
                            


