Технические характеристики
КР572ПВ5
Микросхемы КР572ПВ5 представляют собой интегрирующий АЦП на 3,5 десятичных разряда с выводом информации на семисегментный жидкокристаллический индикатор (ЖКИ).
ИС предназначены для применения в измерительных приборах напряжения, тока, сопротивления, температуры и веса.
Изготовлены по КМОП технологии и используются для работы в узлах и блоках радиоэлектронной аппаратуры общего назначения.
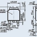
Выпускаются в 40-выводном пластмассовом корпусе с двухсторонним расположением выводов для монтажа в отверстия печатной платы.
Маркируются цифро-буквенным кодом на корпусе микросхемы.
Содержат 1055 интегральных элементов.
Корпус типа 2123.40-2, масса не более 6,5 г.
Климатическое исполнение: УХЛ2.1 по ГОСТ 15150-69.
Категория качества: «ОТК».
Технические условия: бК0.348.432-07ТУ.
Импортный аналог: ICL7106 фирмы Intersil, Inc.




